Home > Products > Timing > Clock Generator > High PerfAU5151
AU5151Clock Generator
  • Output Frequency Range:
    5 MHz – 625 MHz
  • Specification:
    Meets PCIe Gen5/6 jitter performance
  • Input / Output:
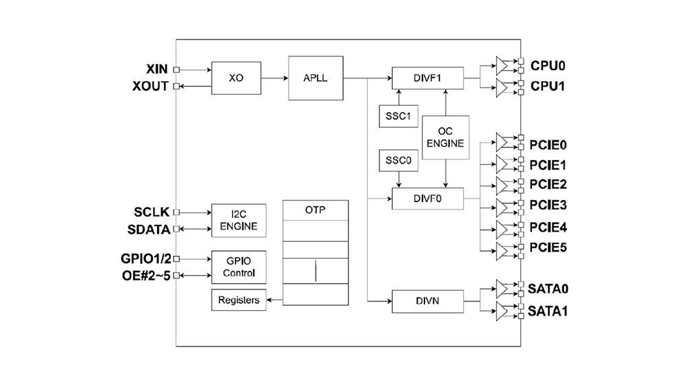
    10 outputs
  • Package Type:
    48-QFN
AU5151
Features

• PCIe Gen6 Common Clock (CC): 40 fs RMS,and 60 fs RMS for PCIe Gen5 Common Clock

• Wide output frequency range from 5 MHz to 625 MHz

• Low power HCSL (LP-HCSL) output types with simple AC coupling circuit to LVPECL and CML

• In-circuit or factory programmable internal OTP

• 10 (2 : CPU,2 : SATA,6 : PCIe) differential outputs, integrated with 85 Ω output termination

• 3.3 V power supply, -40°C to +85°C operation temperature

Applications

• CK440Q

• Server platform design

Advantages

• High-performance programmable clock generator provides 2 GPIOs to support  popular OC functions (such as Stepped Frequency Operation up and down (SFO±) and Target Frequency Mode) for high-end desktop (HEDT) applications

• Integrates up to 8-stage  user-programmable registers with RSO, enabling autonomous frequency switching and watchdog timer-based recovery

• Compact 5mm×5mm 48-QFN package for multi-channel clock distribution in high-density board layouts